KEY FEATURES
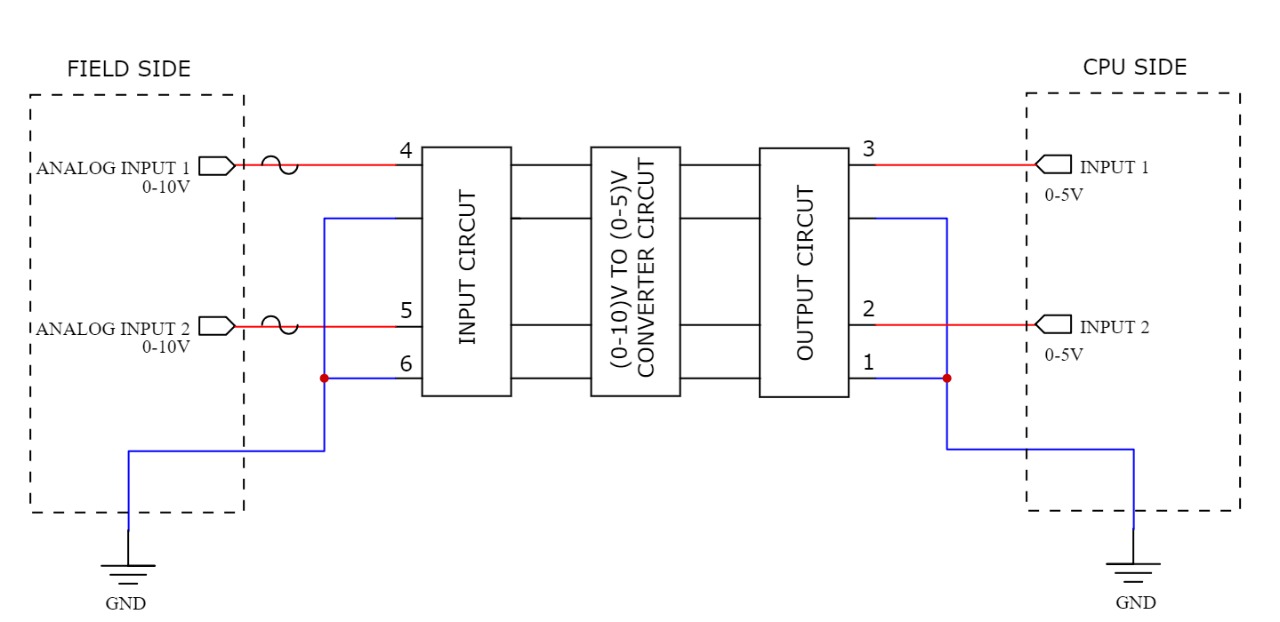
- 2x Analog inputs (0-10 V)
- Very easy to use as no software configuration is needed
- Extremely high accuracy. Hence, error percentage does not exceed 0.1% of full scale.
- Highly compacted size
- DIN rail mounting
- IP54 protection degree
- Operating temperature: -20°C to +83°C
